115年:物治基礎(1)
下列圖形何者最能代表描述肌肉行為的 Hill's model ?〔CE:收縮元件( contractile element );SE:串聯元件( series element );PE:並聯元件( parallel element );η:阻尼元件( dashpot element )〕
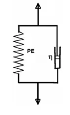
A圖1 

B圖2 

C圖3 

D圖4 

詳細解析
本題觀念:
Hill's Muscle Model (希爾肌肉模型) 本題考查的是生物力學中用於描述肌肉收縮行為的經典模型——Hill's Model。此模型將肌肉的機械行為簡化為三個主要元件的組合,用以解釋肌肉的力量-長度(Force-Length)與力量-速度(Force-Velocity)關係。
主要元件定義如下:
-
收縮元件 (Contractile Element, CE):
- 生理對應:代表肌節(Sarcomere)中的肌動蛋白(Actin)與肌球蛋白(Myosin)橫橋(Cross-bridges)。
- 功能:產生主動收縮力(Active Force)。其行為受神經活化程度及希爾方程式(Hill's equation)描述的力速關係控制。
- 阻尼特性 ():題目中提及的阻尼元件(Dashpot)通常包含在 CE 的行為中(或與其並聯),代表肌肉收縮時的黏滯性(Viscosity),即收縮速度越快,產生的力量越小。
-
並聯彈性元件 (Parallel Elastic Element, PE):
- 生理對應:代表肌肉纖維周圍的結締組織膜(如肌內膜、肌束膜、肌外膜)以及肌節內的 Titin 蛋白。
- 功能:提供被動張力(Passive Tension)。當肌肉被拉長超過靜止長度時,PE 會產生阻抗力,保護肌肉不被過度拉伸。
- 位置:與收縮元件(CE)並聯(Parallel)。
-
串聯彈性元件 (Series Elastic Element, SE):
- 生理對應:主要代表肌腱(Tendon),部分也包含肌節內結構(如 Z 光碟)的彈性。
- 功能:傳遞肌肉產生的力量至骨骼,並儲存與釋放彈性位能(如增強式運動 Plyometrics)。
- 位置:與「肌肉本體(CE + PE)」串聯(Series)。
影像分析:
雖然無法直接觀看圖片,但根據標準生物力學教材(如 Zajac, 1989)與考題慣例,正確的 Hill's Model 圖形(即題目中的 圖2 / 選項B)應呈現以下結構:
- 核心結構:一個收縮元件(CE,通常畫成阻尼器或方塊)與一個彈簧(PE)並排(並聯)。
- 連接方式:這個並聯的組合(代表肌肉腹肌部分)的一端,再連接另一個彈簧(SE,代表肌腱)。
- 整體路徑:力量從 CE 和 PE 匯聚後,通過 SE 傳遞到外部(骨骼)。
- 數學關係: (當忽略質量與加速度時)。長度關係為 。
錯誤圖形的常見特徵(推測圖1、3、4):
- Maxwell 模型變體:PE 與「CE + SE 的串聯組合」並聯。這意味著並聯彈性元件跨越了整個肌肉-肌腱單元。雖然在某些黏彈性材料適用,但在骨骼肌解剖上,肌膜(PE)通常只包覆肌纖維(CE),而不會包覆肌腱(SE),因此不是最佳描述。
- 全串聯:CE、PE、SE 全部串成一條線(無法解釋被動張力與主動收縮的獨立性)。
- 全並聯:CE、PE、SE 全部並排(無法解釋肌腱的串聯傳導特性)。
選項分析
- (A) 圖1:通常為干擾選項,可能呈現 PE 包覆整個單元(Maxwell type)或組件缺失。在描述「肌腱與肌肉」的解剖關係上,不如圖2精確。
- (B) 圖2(正確答案):
- 結構:[ (CE || ) || PE ] — SE。
- 解析:此圖最準確地反映了骨骼肌的解剖構造。
- CE 與 PE 並聯:符合解剖事實,即結締組織(PE)是包覆在收縮蛋白(CE)周圍的。當肌肉被拉長時,CE 和 PE 同時被拉長。
- SE 串聯於後:符合解剖事實,即肌腱(SE)位於肌肉腹肌的末端,負責將肌肉產生的總力量(主動+被動)傳遞給骨骼。
- 這是現代生物力學模擬(如 OpenSim)中最常用的 "Hill-type Muscle Model" (Zajac's formulation)。
- (C) 圖3:可能為錯誤排列,例如 SE 在中間,或 PE 位置錯誤。
- (D) 圖4:可能為錯誤排列。
答案解析
正確答案是 (B)。
描述肌肉行為的 Hill's model 最經典且符合解剖生理的版本(亦稱為 Voigt 形式或 Zajac 模型)具備以下特徵:
- 收縮元件 (CE) 產生主動力量。
- 並聯彈性元件 (PE) 代表肌膜等結締組織,與 CE 並聯,因為它們與肌纖維平行排列,且長度變化與肌纖維一致。
- 串聯彈性元件 (SE) 代表肌腱,與肌肉腹肌(CE+PE)串聯,因為肌腱位於肌肉末端,負責傳遞肌肉產生的總力量。
圖2 的配置(CE與PE並聯,再與SE串聯)正確地捕捉了這種物理與生理關係:當肌肉收縮(CE縮短)或被拉伸(CE與PE變長)時,力量都會通過串聯的肌腱(SE)傳遞到骨骼上。
核心知識點
- Hill's Model 三要素:
- CE (Contractile Element): 主動收縮,受神經控制,具備力-速與力-長關係。
- SE (Series Elastic Element): 串聯,主要為肌腱,負責力量傳遞與能量儲存。
- PE (Parallel Elastic Element): 並聯,主要為結締組織,負責被動張力。
- 解剖對應口訣:
- 肌膜包肌腹 PE 與 CE 並聯。
- 肌腱連骨頭 SE 與整體串聯。
臨床重要性
- 被動張力 (Passive Tension):在肌肉被拉長時,由 PE 提供。臨床上測量肌肉緊繃程度(Stiffness)主要反映 PE 的特性。例如腦性麻痺患者的肌肉攣縮,部分原因來自 PE 的物理性質改變。
- 增強式運動 (Plyometrics):利用快速拉伸肌肉(離心收縮),儲存能量於 SE(肌腱),隨後在向心收縮中釋放,產生更大爆發力。
參考資料
- Zajac, F. E. (1989). Muscle and tendon: properties, models, scaling, and application to biomechanics and motor control. Critical reviews in biomedical engineering, 17(4), 359-411. (生物力學界定義 Hill Model 結構的權威文獻)
- Neumann, D. A. (2016). Kinesiology of the Musculoskeletal System: Foundations for Rehabilitation. (復健醫學標準教科書)